化工设备DN1600板式精馏塔(含零件图)CAD装配图下载
2024-03-25
admin
14483
化工设备DN1600板式精馏塔CAD装配图简介:
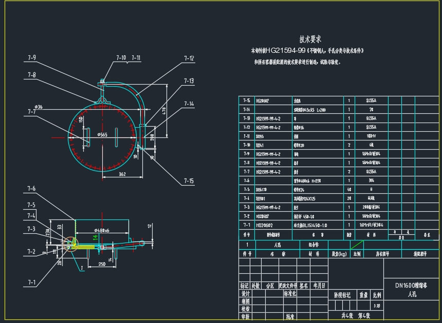
此装配图为化工设备板式精馏塔的CAD装配图,其中塔内径为DN1600,本装配图中含有塔的主体图,塔的俯视图、类零件图、部分局部放大详图以及零部件明细表等等,明细表中详细记录了零部件参数;本装配图采用了AutoCAD2007版进行绘制,可根据自己的实际要求进行修改使用,有意者请下载使用;
1、化工设备DN1600板式精馏塔CAD装配图:
2、化工设备DN1600板式精馏塔零件塔顶吊柱CAD图:
3、化工设备DN1600板式精馏塔裙座CAD图:
4、化工设备DN1600板式精馏塔零件人孔CAD图:
CAD装配图网盘下载链接:
点赞
收藏



